Scrubber machine hose couplings

Position:Home > Products > Scrubber machine hose > Scrubber machine hose couplings >

Contact information

Guangdong Baio Intelligent Technology Co., Ltd

Website:https://www.baiogroup.cn

Phone:+86 13609761516

Email:techclean@cleanchina.tech

Address:No. 16 Shuanglong North Road, Mugang, Duanzhou District, Zhaoqing, Guangdong, China

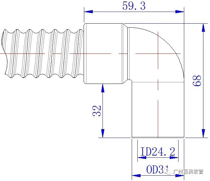
KS0087 (Cuff ID24.2, Hose ID25)

KS0087 (Cuff ID24.2, Hose ID25)

  • Product category:Scrubber machine hose couplings
  • Material code:KS0087
  • Molding method:Injection molding
  • Material:PVC
  • Hardness:60-80A
  • Color:Black (customizable)
  • Scope of use:Floor scrubber suction pipe, floor scrubber sewage pipe (other hoses)
  • Views:5
  • Details

640.jpg

Hot line:

+86 13609761516

Guangdong Baio Intelligent Technology Co., Ltd

Email    techclean@cleanchina.tech

Website    https://www.baiogroup.cn

Address    No. 16 Shuanglong North Road, Mugang, Duanzhou District, Zhaoqing, Guangdong, China

Qrcode scan

Qrcode scan

About Us+

Cases Show+